
► Single strand 단열


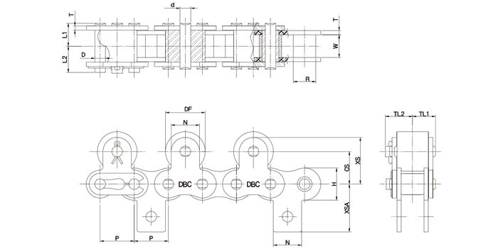
* DBC 40~60TR체인에는 스프링클립형 연결구가 80번 이상에는 코터핀형 연결구가 표준으로 제공됩니다.
► Double strand 2열


► 이탈방지(離脫防止)형


사업자 정보 표시
제일체인상사 | 박 병 주 | 경남 창원시 마산회원구 합성옛길 240 | 사업자 등록번호 : 876-32-01289 | TEL : 055-252-6492 | Mail : bjp6492@hanmail.net | 통신판매신고번호 : 호 | 사이버몰의 이용약관 바로가기
'특수체인 > 프리플로체인' 카테고리의 다른 글
| CENTER ROLLER CHAIN (0) | 2022.04.04 |
|---|---|
| 사이드 로울러 체인 (0) | 2022.04.04 |
| 배속체인 (0) | 2022.04.02 |
